Mailing List lml@lancaironline.net Message #35356
From: Greenbacks, Ltd. <N4ZQ@Comcast.net>
Sender: <marv@lancaironline.net>
Subject: Fwd: LNC2 Fuel transfer
Date: Fri, 21 Apr 2006 21:57:05 -0400
To: <lml@lancaironline.net>

Greenbacks, Ltd.
N4ZQ@comcast.net



Begin forwarded message:

From: "Greenbacks, Ltd." <N4ZQ@Comcast.net>
Date: April 20, 2006 8:46:17 AM EDT
To: "Angier M. Ames" <N4ZQ@Comcast.net>
Subject: LNC2 Fuel transfer

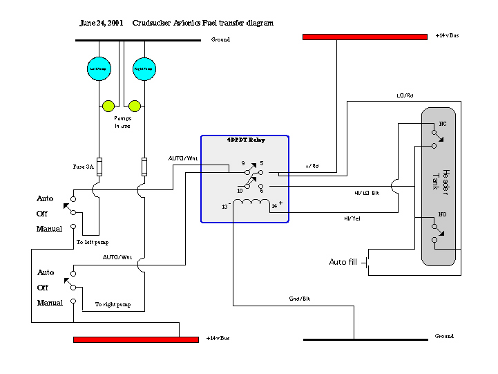
Here is my fuel transfer diagram as designed by Crudsucker Avionics.
As you can see, this design requires only one 4DPDT relay.

Image
Fuel Transfer.jpg

Angier Ames
Greenbacks, Ltd.
N4ZQ
N3ZQ




Subscribe (FEED) Subscribe (DIGEST) Subscribe (INDEX) Unsubscribe Mail to Listmaster