Mailing List lml@lancaironline.net Message #21418
From: Marvin Kaye <marv@lancaironline.net>
Subject: Re: Lancair IVP Brakes
Date: Thu, 13 Nov 2003 19:39:17 -0500
To: <lml>
Posted for VTAILJEFF@aol.com:

I recieved a reply from Ralph Hartlaub at Cleveland Wheel & Brakes. I met Ralph at the Lancair tent at Oshkosh. Hope you all can use the information.

Jeff Edwards
LIVP N619SJ

From: rhartlaub@parker.com
Subject: Re: Lancair IVP Brakes
Date: Thu, 13 Nov 2003 13:41:20 -0500
To: VTAILJEFF@aol.com
Cc: jbakos@parker.com


Hello Jeff

I certainly do remember our conversation. The brake that you have is a
30-233. The 164-02504 is the brake disc part number. The 199--224A is a
conversion kit (bill of material shown below) that upgraded the caliper
from an organic to a metallic lining. The torque plate would be mounted
with the same with either lining configuration. A simple check to
determine if the torque plate is orientated correctly is to sight or lay a
straight edge on the outer surface of the brake disc. The torque plate
anchor bushings should be approximately flush to +/- .050 above or below
that surface. This can be accomplished using the proper length inboard
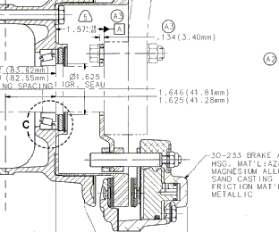
bearing stop and torque plate oreintation. As you can see in the sketch
below, if the torque plate were to move to the right relative to the brake
disc then eventually the torque plate could come into contact with the
pressure plate thereby limiting the clamping pressure on the brake disc as
the pressure plate lining wears. If torque plate is located too far to
the left then you may not have enough anchor bolt to torque plate bushing
engagement and will compromise the torque take out ability. See sketch
below. If you have any questions, you should talk to Kit Components and
have them send you installation information for your aircraft.

(Embedded image moved to file: pic04530.pcx)


 The 40-406/30-233 has a KE rating for each wheel and brake of 425,000
ft-lbs at 80.76 mph and an IE of 1965 lbs. Unless otherwise specified by
the aircraft manufacturer,typically the simplified mininum KE requirements
for a type certificated aircraft is defined by FAR part 23.735. Please
see the information below. It has been copied from our 50-76 drawing that
is widely used by the experimental aircraft homebuilders to select
products.

(Embedded image moved to file: pic16672.pcx)


Here is a copy of the parts that were furnished to upgrade, the 40-96E &
30-61E (organic lining) to the 40-406 & 30-233 (Metallic Lining) wheel and
brake configuration.

(Embedded image moved to file: pic28256.pcx)


Hope this helps out. Please contact our technical support group at
1-800-272-5464 if you assistance.

Very best regards
Ralph Hartlaub
Technology Team Leader



                                                                                                          VTAILJEFF@aol.
                    com To: rhartlaub@parker.com
                                         cc:
                    11/13/2003 Subject: Lancair IVP Brakes
                    12:18 PM
                                                                                                                                                                            



Ralph,

I am a Lancair IVP builder/ flier using your "high engergy" brakes. I
talked to you about braking at this past Oshosh AirVenture and you looked
at my airplane and remarked that the linings needed replacement -- which I
have done. You also recommended turning around a component to increase the
throw on the backplate (if I remember your remarks correctly). Anyway-- I
will have that done shortly when the aircraft returns from paint and
interior.

I was wondering if you could provide me with the part number of the brake
assembly. Vern Pifer at Lancair could only find the disc number 164-02504
and caliper number 199-22400A. He recommeded I contact you directly. Could
you also tell me what the Kinetic Energy level the brakes are rated to or
capable of. My calculations show that for a moderately loaded Lancair IVP
with a 3000# gross weight and 80 KIAS touchdown speed-- approximately
425,000 foot-pounds of stopping energy are required.

Thank you for your assistance.

Jeff Edwards
Lancair IVP N619SJ

Subscribe (FEED) Subscribe (DIGEST) Subscribe (INDEX) Unsubscribe Mail to Listmaster