Mailing List lml@lancaironline.net Message #52984
From: John F. Herminghaus <catignano@tele2.it>
Sender: <marv@lancaironline.net>
Subject: Re: [LML] Re: Nose wheel shimmy
Date: Thu, 17 Sep 2009 23:17:27 -0400
To: <lml@lancaironline.net>
Gary,

Attached are the drawings in jpeg.  If you still have questions, let me know.

John

Gary Casey ha scritto:
John,
I'm afraid I don't quite understand your description of the proposed fix.  Possibly the mounting system is enough different from my ES and I couldn't find the attached drawings.  In any event would you be kind enough to elaborate.  The subject is certainly of interest to everybody, especially those with an ES or IV.  I gather that you Columbia mounting is such that the complete strut had lateral play and I can see that such a thing would be very bad in almost any amount.  In fact, I would guess that either kind of play is bad - lateral or rotational.  I've never had a trace of shimmy in my ES, but I don't know why, and that worries me.
Gary
ES #157, strut rebuilt by Lancair, 170 hours and 3 years ago.



-----Inline Message Follows-----

I have read with interest the thread on nose wheel shimmy since, though I am building a IV-P, I am currently flying a Columbia 300, and have been plagued with increasingly severe nose wheel shimmy. 

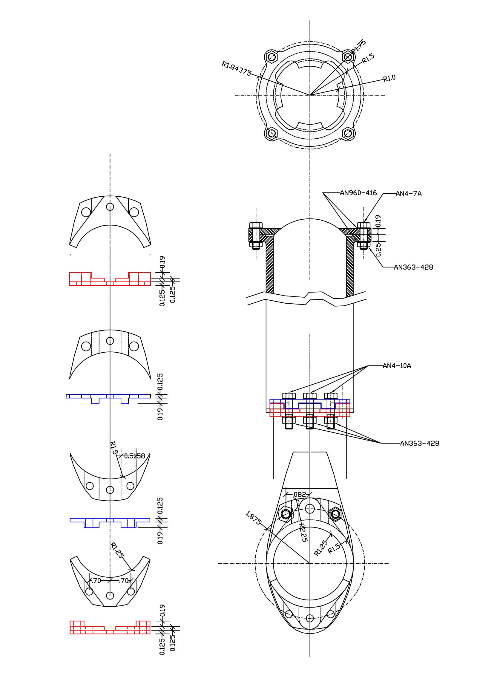
At my last annual a strengthener was added on the front tab to compensate for the enlargement of the holes in the mounting tabs (photo 1).  Obviously the intent was prevent rotation around the axis of the strut.   Result: one landing with minor shimmy, but increasing violence with each subsequent one.  Also there was shimmy during take off.  So I decided to balance the the nose wheel - it hadn't been done before.  While remounting the nose wheel I found that there was lateral play of ..270" in the nose strut (photo 2).  I decided not to fly the plane again until corrective action had been taken.  And this was before the photo of N166DS was posted.

Looking at the configuration of the nose strut on the Columbia, which I assume is the same as on the ES - why else would I post this to the Lancair List - the problem is obvious.  The nose strut is fastened to the engine mount by two AN4 bolts in the longitudinal axis.  If the tube on the engine mount were a close fit to the nose strut, the two bolts might be sufficient.  But since it isn't, they are wildly inadequate.  The result is that there is twisting moment the mounting that leads to the enlargement of the mounting holes.  In the lateral axis there is no support at all.

What to do.  I have proposed the solution shown in the two attached drawings to Cessna, and have a DAR who sign off if Cessna has no technical objections.  Cessna promised a response within 7 to 10 working days on 4 August, but as of today I still don't have a response.  Upon asking why, I was told they are working on a service bulletin.  Not wanting to do something irreversible, but wanting to fly the plane, I made the re-inforcing parts shown in the isometric drawing, and installed them without welding them to the engine mount and strut.  In eight take-offs and landings since I have not had any shimmy.  Welding the parts would probably make it bullet proof.

A few notes on the parts.  The intent of the design is not only to eliminate the play in the lateral axis and the rotation of the strut, but also to remove shear loads from the bolts.  On the rear brackets the outboard bolts are AN5.  If I were building an ES, I would remove the tabs as delivered, and eliminate the center bolt which serves no purpose.

Hope this is useful.

John Herminghaus
LIV-P        I-VVVV



Image
nose strut3i copy.jpg
Image
nose strut3 copy.jpg
Subscribe (FEED) Subscribe (DIGEST) Subscribe (INDEX) Unsubscribe Mail to Listmaster