Mailing List flyrotary@lancaironline.net Message #65341
From: Charlie England ceengland7@gmail.com <flyrotary@lancaironline.net>
Subject: Re: [FlyRotary] Electrical power
Date: Fri, 15 Nov 2019 17:21:35 -0600
To: Rotary motors in aircraft <flyrotary@lancaironline.net>


On Fri, Nov 15, 2019 at 5:01 PM Stephen Izett stephen.izett@gmail.com <flyrotary@lancaironline.net> wrote:
Hi Guys

I’m reviewing our electrical system and thought as its a critical system i should get the wisdom of what other decided as far as risk.
If people have circuit diagrams that would help.
I have an electronics background.

My key questions are around:

Battery/s (single/dual) If dual - how have you implemented?
Alternator (Capacity to control - Over Voltage etc.)
Switching (How you switch the electrons on/off - I recently had a Narva Ignition switch failure)
Failure modes and emergency response plans

Much appreciated.

Steve Izett
Glasair Super IIRG - In Phase #1 testing.
Perth Western Australia

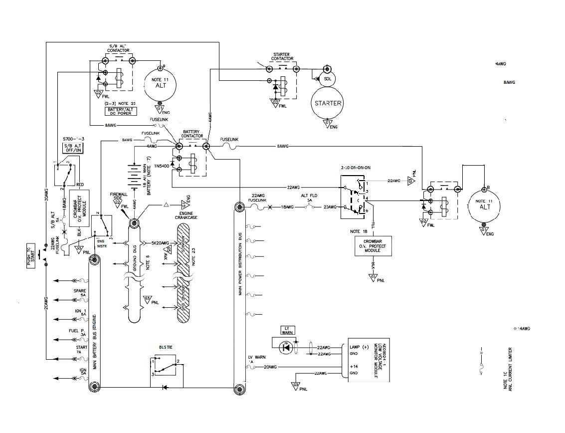
Here's my (current (pardon the pun)) choice. Still undecided about the diode across the buss tie switch; passive vs active backup. Not everything is there yet.Still need a method to detect individual alternator loss (will likely require Schottky diodes in each alternator line). Goal is to have an engine buss controlled by a physical switch (high current, obviously), with *backup* power flowing through the master contactor and main buss. Attempt is to replicate, as closely as is reasonably possible, typical operation of a traditional a/c with traditional engine. One switch controls the airframe; a separate switch controls the engine. That way, decades of training for 'smoke in the cockpit' or other electrical problem won't inadvertently kill the engine. 

Many of the details are driven/allowed by dual alternators; everything would change if using a single alt.

I will remain open to ideas/improvements, even after the plane flies. 

Charlie

Subscribe (FEED) Subscribe (DIGEST) Subscribe (INDEX) Unsubscribe Mail to Listmaster