Mailing List flyrotary@lancaironline.net Message #65339
From: Matt Boiteau mattboiteau@gmail.com <flyrotary@lancaironline.net>
Subject: Re: [FlyRotary] Re: Renesis oil pressure
Date: Fri, 15 Nov 2019 15:47:05 -0500
To: lehanover lehanover@aol.com <flyrotary@lancaironline.net>
Based on racing beat's page, the first series of RX8 is 80psi. The second series does away with the rear pressure reg and is rated to 115psi.

http://www.racingbeat.com/mazda/performance/rotary-tech-tips/oil-tips.html

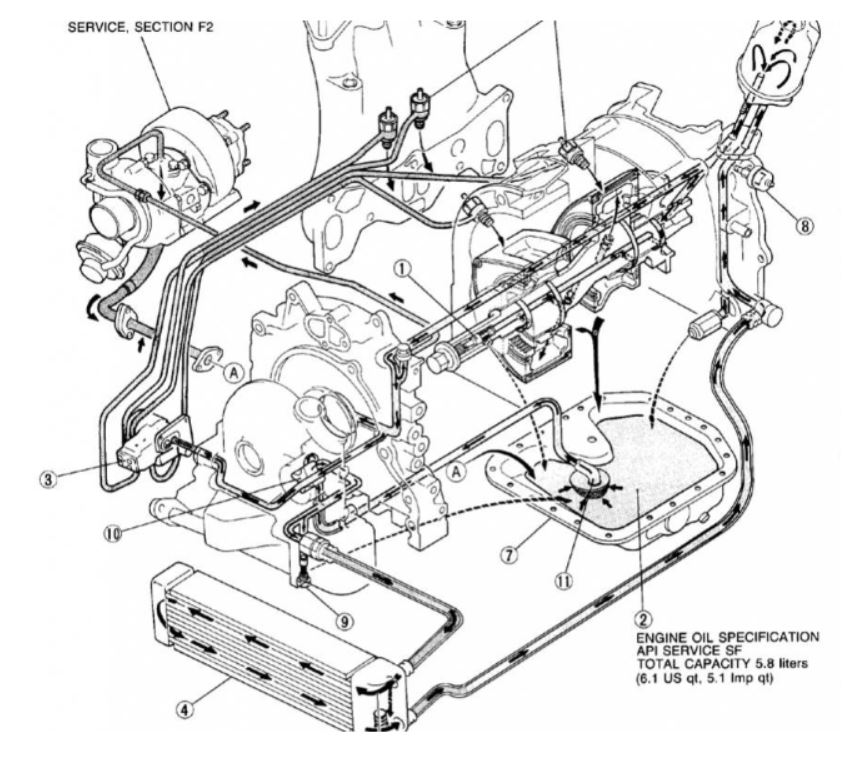
Finn, it's a good idea to tap the oil pan to get it's temperature. It usually is around 30F hotter then incoming oil, then you get a true reading of how hot the oil is. The OMP pressure will be after the regulators, so no point going there. The stock location to get oil pressure is @ #8 in the picture below. Where it goes out to the oil radiator (just above #9) would be your best spot for a pre-cooler pressure, but I don't think that pressure is worth knowing anyways. 

Those sensors from Ebay look to be the same I am using. S.S.,1/8npt and comes with pigtail. Can't beat the price, and they seem to be working well so far.

- Matt Boiteau

On 2019-11-15 12:20:27 PM, lehanover lehanover@aol.com <flyrotary@lancaironline.net> wrote:

Any early regulator can be shimmed to over 100 PSI. We ran 100 PSI with Redline 40 weight.  RX-8 came stock with 110 PSI. Early valves can be dismantled  and shimmed to anything you want. RX-8 valves are welded shut. Most racers have a drawer or box of early valves. Check your local SCCA for member help.
Lynn E. Hanover

In a message dated 11/15/2019 10:36:08 AM Eastern Standard Time, flyrotary@lancaironline.net writes:

28?

Anyway, thank you all for your replies. Sounds like a 150 psi sensor will be the safest.

I have no plans to tear down the supposedly brand new Renesis, so for now no modifications.

Thinking about a before cooler pressure sensor too. I suppose the only (easy) option is to drill and tap the oil metering pump supply hole (which I've already plugged)?

I would like to also have a before oil cooler temperature sensor. I guess I need to find a spot in the oil pan?

I suppose a 30 psi sensor is adequate for water pressure (assuming I don't go with Evans non-pressurized system)?

Trying to source sensors, I looked in the places I had purchased them decades ago (Newark, DigiKey, Allied) and was dismayed at the availability and prices. In my original RV-3 I had used the solid state MPX-5999 with barb from NXP USA.

A Google search finally lead me to a posting which led me to Aircraft Spruce and a "Swift" pressure sensor. That led me to eBay where there now is a wide selection of 5V (amplified) solid state sensors with 1/8-27NPT housings.

These solid state sensors have (amplified) output voltages from 0.5 to 4.5 volts with a 5 volt supply (they even come in 12V (10-25V) supply version for a bit more).
Yes, your engine monitor has to subtract (offset) the bottom by 0.5 volts (0 psi = 0.5 volts).

http://www.zenith.aero/forum/topics/swift-solid-state-oil-pressure-sensor

https://www.ebay.com/itm/Pressure-transducer-or-sender-Stainless-Steel-for-oil-fuel-air-water-Multichoice/272759060859?hash=item3f81b4f97bâ“‚mTKFrDgAsPLl-bZmKbUTKgQ

When searching note that oil pressure switches are often called sensors too.

Finn

On 11/15/2019 7:36 AM, Bobby J. Hughes bhughes@qnsi.net wrote:
Thermal pellet and carb jets with racing beat race regulator. Idle at 28 warm and 88-92 psi at 4800-7000 rpm.??

Bobby??

Sent from my iPhone

On Nov 15, 2019, at 2:43 AM, Matt Boiteau mattboiteau@gmail.com <flyrotary@lancaironline.net> wrote:

???
I installed an RX7 rear regulator and shimmed the front reg with 2 washers. Also installed thermal pellet and weber jets in the e-shaft. Average around 110-115psi during cruise, so I went with an 150psi sensor.

- Matt Boiteau

On 2019-11-14 11:53:30 PM, Neil Unger 12348ung@gmail.com <flyrotary@lancaironline.net> wrote:

Fin,?? My renesis starts cold at 150 PSI.?? I let it idle at 2200 rpm
until after a few minutes it settles to 80 psi (plus).

Neil.

On 11/15/2019 10:45 AM, Finn Lassen finn.lassen@verizon.net wrote:
> I'm starting to look at engine monitor sensors for my RV-4.
>
> In his Renesis report, Tracy mentioned 100 psi oil pressures. Not
> clear if they dropped after the engine got some hours on it.
>
> What kind of oil pressures are you seeing?
>
> Should I go with a 150 psi or a 100 psi pressure sensor?
>
> Finn
>
>
> --
> Homepage:?? http://www.flyrotary.com/
> Archive and UnSub:
> http://mail.lancaironline.net:81/lists/flyrotary/List.html

--
Homepage: http://www.flyrotary.com/
Archive and UnSub: http://mail.lancaironline.net:81/lists/flyrotary/List.html


Subscribe (FEED) Subscribe (DIGEST) Subscribe (INDEX) Unsubscribe Mail to Listmaster