Mailing List flyrotary@lancaironline.net Message #60354
From: <hoursaway1@comcast.net>
Subject: Re: [FlyRotary] Renesis plumbing diagrams?
Date: Tue, 29 Oct 2013 02:12:53 +0000 (UTC)
To: Rotary motors in aircraft <flyrotary@lancaironline.net>
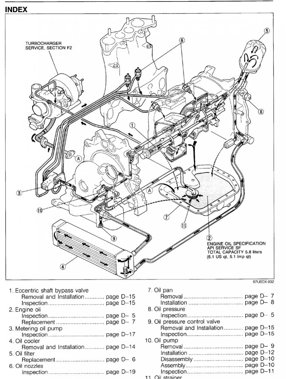
Here is oil, but for 13B.  David


From: "Charlie England" <ceengland7@gmail.com>
To: "Rotary motors in aircraft" <flyrotary@lancaironline.net>
Sent: Sunday, October 27, 2013 10:22:15 AM
Subject: [FlyRotary] Renesis plumbing diagrams?

I've got my intake manifold & heat exchangers mounted, & need to start
'plumbing' work. I thought I had saved flow path diagrams for the
Renesis, but I can't seem to find them now. Anyone have oil & water
diagrams they can share?

The only info I've been able to find so far indicates that cooling water
exits the block via the top water pump port & returns in the lower port,
& the heater send port is the one next to the flywheel on the spark plug
side. The small port at the top of the flywheel-end iron seems to have a
matching port on the return side of the water pump fittings; is that an
acceptable place to tie this line, or should it go straight to the swirl
pot?

Any options other than a big pipe tap to plug the inlet/outlet passage
used by the thermostat?

For oil, the Renesis images I've been able to find show an oil filter
mount low on the accessory cover; not what I've got, and an oil port low
in the flywheel-end iron, also not what I've got. Assuming that oil
leaves the pump at the accessory case oil port, flows through the
cooler, and then to the filter mount 'tower' that bolts to the top of
the flywheel-end iron, what are the paths of the 2 ports in the mount
point? (My engine came with the filter tower already removed & the mount
point taped over.)

Thanks,

Charlie

--
Homepage:  http://www.flyrotary.com/
Archive and UnSub:   http://mail.lancaironline.net:81/lists/flyrotary/List.html
Subscribe (FEED) Subscribe (DIGEST) Subscribe (INDEX) Unsubscribe Mail to Listmaster