Mailing List flyrotary@lancaironline.net Message #54312
From: <Lehanover@aol.com>
Subject: Re: [FlyRotary] One more hour today
Date: Wed, 23 Mar 2011 23:13:23 EDT
To: <flyrotary@lancaironline.net>
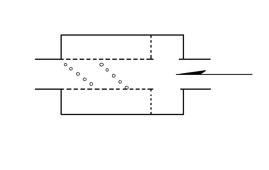
Here is a diagram of the Mazda racing muffler.
 
It has an empty room at the beginning where the pulse drops to subsonic before any muffling is attempted.
 
Then it was a perforated tube sticking through a perforated bulkhead. As the sound requirements were tightened, people added a removable plug and installed "Lava Rocks" Stainless lath swarf or stainless scrubbing pads from a restaurant supply house.
 
The Lava Rocks lasted one weekend. The stainless scrap or pads lasted several weekends. However, even empty it worked pretty well. It was about 9" in diameter and very short. Failures were always the front wall just popping off with a weld in a bending failure. (As anyone with a brain would have expected)
 
I made a big version of that Mazda piece with a cellar post jack as the center tube. It worked fine but eventually the center tube melted. 3 1/2" by 1/8" wall mild steel.
 
We were trying to get from below 105 DB to below 103 DB which is quite a distance. More distance from the engine is your friend.
 
Don't try to muffle supersonic flow.
 
Lynn E. Hanover
Image
Picture 1124.jpg
Subscribe (FEED) Subscribe (DIGEST) Subscribe (INDEX) Unsubscribe Mail to Listmaster