Mailing List flyrotary@lancaironline.net Message #36297
From: Tracy Crook <lors01@msn.com>
Subject: Re: [FlyRotary] RX8 coils
Date: Tue, 20 Mar 2007 17:16:30 -0400
To: Rotary motors in aircraft <flyrotary@lancaironline.net>
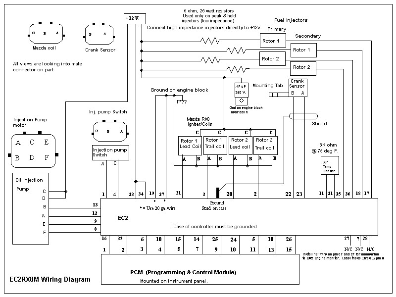
This was a one-off EC2 RX-8 controller built for a racing team (car).  Has the connector info. on coils & other stuff.   Hope this helps. 
 
Tracy
----- Original Message -----
Sent: Tuesday, March 20, 2007 1:33 PM
Subject: [FlyRotary] RX8 coils

I need some help. I have not been able to find anything about the pinout on the RX8 coil. Since I bought the coils new, so I dont have an old harness to relay on.
 
Thanks in advance!
 
Richard Sohn
N2071U
Subscribe (FEED) Subscribe (DIGEST) Subscribe (INDEX) Unsubscribe Mail to Listmaster