Mailing List flyrotary@lancaironline.net Message #3507
From: Marvin Kaye <marv@lancaironline.net>
Subject: Re: [FlyRotary] Re: overvoltage (was: alternator choice?)
Date: Sat, 04 Oct 2003 22:25:06 -0400
To: Rotary motors in aircraft <flyrotary@lancaironline.net>
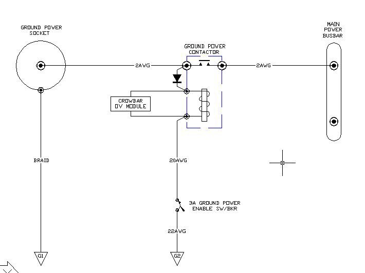
We are using a B&C voltage regulator on the Eagle 540 installation and that includes an internal crowbar OV circuit, but early in the project the owner wasn't aware of this capability so he purchased one of Bob Nuckoll's crowbar modules and had it sitting unused.  When installing the ground power system I decided to incorporate the crowbar circuit to protect us against the possibility of a line guy accidentally hooking up a 24V GPU and blowing things up.  The attached schematic shows the circuit.  The GP enable switch is a combined switch and breaker, so we control the input from the GPU socket to the bus from the panel.  I thought you might find it interesting.

      <marv>
Subscribe (FEED) Subscribe (DIGEST) Subscribe (INDEX) Unsubscribe Mail to Listmaster